هواکش صنعتی سبک فلزی دمنده مدل VID-30D2S با قطر 30 سانتیمتر، راهحل ایدهآل برای تهویهی محیطهای صنعتی و کارگاههاست. طراحی فلزی مقاوم، قدرت دور بالا و عملکرد بینظیر، جریان هوای بهینه را تضمین میکند. با این هواکش، کیفیت هوای محیط کاری خود را بهبود دهید و بهرهوری را افزایش دهید!
معرفی هواکش صنعتی سبک فلزی 30 سانتی متری دور بالا دمنده مدل VID-30D2S
در محیطهای صنعتی، کارگاهی و حتی فضاهای نیمهصنعتی، تهویه مناسب یکی از عوامل اصلی برای ایجاد شرایط کاری سالم و افزایش راندمان تولید به شمار میرود. دستگاههای تهویه صنعتی باید به گونهای طراحی شوند که علاوه بر ایجاد جریان هوای مناسب، دوام و کارایی بالایی نیز داشته باشند. یکی از محصولات ارزشمند در این حوزه، هواکش صنعتی سبک فلزی 30 سانتی متری دور بالا دمنده مدل VID-30D2S است که با طراحی خاص و عملکرد قدرتمند، پاسخگوی نیاز بسیاری از صنایع و مشاغل میباشد.
در این مقاله، به بررسی کامل ویژگیها، مشخصات فنی، کاربردها و مزایای استفاده از این هواکش خواهیم پرداخت.
معرفی هواکش صنعتی سبک فلزی 30 سانتی متری دور بالا دمنده مدل VID-30D2S
هواکش صنعتی سبک فلزی 30 سانتی متری دور بالا دمنده مدل VID-30D2S محصولی از برند معتبر دمنده است که سالها در زمینه طراحی و تولید انواع تجهیزات تهویه صنعتی و خانگی فعالیت میکند. این دستگاه با قطر پروانه 30 سانتیمتر و موتور قدرتمند دور بالا، توانایی ایجاد جریان هوای قوی و یکنواخت را دارد. طراحی سبک و بدنه مقاوم آن، باعث شده برای محیطهای مختلف با شرایط کاری گوناگون مناسب باشد.
برخلاف بسیاری از هواکشهای معمولی، این مدل با موتور دور بالا (High Speed) طراحی شده است و همین ویژگی، آن را به گزینهای عالی برای محیطهایی با نیاز به تهویه سریع و فوری تبدیل میکند.
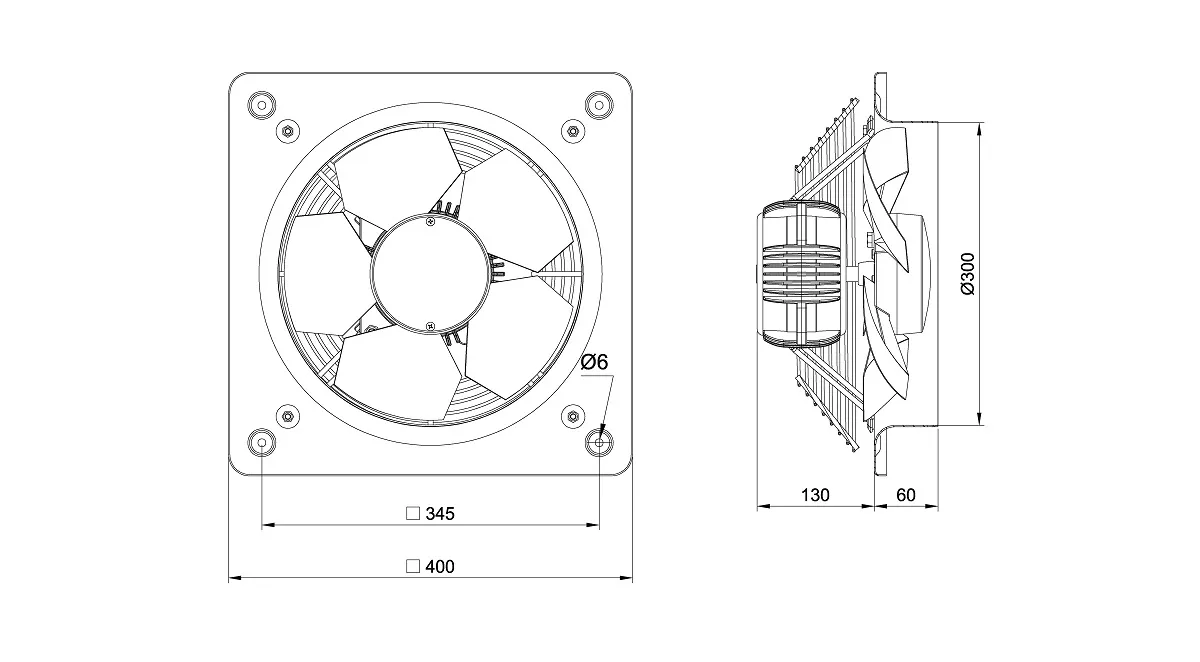
مشخصات فنی هواکش صنعتی سبک فلزی 30 سانتی متری دور بالا دمنده مدل VID-30D2S
در انتخاب یک هواکش صنعتی، آگاهی از مشخصات فنی اهمیت زیادی دارد. این مدل ویژگیهای زیر را ارائه میدهد:
- قطر پروانه: 30 سانتیمتر
- نوع موتور: دور بالا با کارایی بالا
- حجم هوادهی: متناسب با محیطهای متوسط تا بزرگ
- ولتاژ ورودی: 220 ولت تک فاز
- مصرف انرژی: بهینه در مقایسه با توان خروجی
- شدت صدا: در محدوده استاندارد و قابل قبول برای محیطهای صنعتی
- کلاس عایقبندی موتور: B
- درجه حفاظت موتور: IP44 (مقاوم در برابر رطوبت و گردوغبار)
- وزن دستگاه: سبک و قابل حمل برای نصبهای متنوع
این ترکیب از مشخصات، نشاندهنده طراحی دقیق و توجه به استانداردهای بینالمللی در ساخت هواکش صنعتی سبک فلزی 30 سانتی متری دور بالا دمنده مدل VID-30D2S است.
طراحی و ساختار
این هواکش با بدنه فلزی مقاوم و سبک طراحی شده که علاوه بر استحکام، نصب آن را نیز آسانتر میکند. پروانهها از جنس فلز مقاوم ساخته شدهاند و بالانس دقیق آنها باعث شده در حین کار، لرزش کمتری ایجاد شود. موتور با عایقبندی B و استاندارد IP44، در برابر عوامل محیطی مانند رطوبت و گردوغبار مقاوم است و همین موضوع، طول عمر دستگاه را افزایش میدهد.
طراحی ساده اما کاربردی بدنه، امکان نصب در دیوار، پنجره یا قابهای مخصوص صنعتی را فراهم کرده و انعطافپذیری زیادی برای کاربران به همراه دارد.
عملکرد و راندمان
یکی از ویژگیهای بارز هواکش صنعتی سبک فلزی 30 سانتی متری دور بالا دمنده مدل VID-30D2S، راندمان بالای آن است. موتور دور بالا باعث میشود هوای محیط با سرعت بیشتری جابهجا شود و این امر بهویژه در محیطهایی که آلودگی هوا، گردوغبار یا بخارات شیمیایی زیاد است، اهمیت بالایی دارد.
شدت صدای این هواکش با وجود قدرت بالای موتور، در محدوده استاندارد قرار دارد و استفاده از آن در کارگاهها یا آشپزخانههای صنعتی باعث ایجاد مزاحمت صوتی قابلتوجه نمیشود.
کاربردهای هواکش صنعتی سبک فلزی 30 سانتی متری دور بالا دمنده مدل VID-30D2S
این دستگاه به دلیل ویژگیهای فنی و ساختاری، در محیطهای متنوعی کاربرد دارد:
1. کارگاهها و صنایع کوچک
در محیطهایی مانند کارگاههای نجاری، فلزکاری و تولیدیها که گردوغبار و ذرات معلق وجود دارد، این هواکش به تهویه مؤثر فضا کمک میکند.
2. آشپزخانههای صنعتی
به دلیل وجود بخار و دود زیاد در آشپزخانههای رستورانها و هتلها، استفاده از هواکش صنعتی سبک فلزی 30 سانتی متری دور بالا دمنده مدل VID-30D2S باعث میشود هوا به سرعت پاکسازی شده و شرایط بهداشتی بهتری ایجاد گردد.
3. گلخانهها
تهویه گلخانه یکی از عوامل حیاتی برای رشد گیاهان است. این هواکش میتواند رطوبت و دمای محیط را تنظیم کرده و از بروز بیماریهای گیاهی جلوگیری کند.
4. سالنهای ورزشی و انبارها
در فضاهای بزرگ و پرجمعیت، وجود جریان هوای مداوم اهمیت دارد. این دستگاه با قدرت هوادهی مناسب، میتواند شرایط مطلوبی برای چنین مکانهایی فراهم آورد.
5. محیطهای نیمهصنعتی و خانگی
در برخی خانهها یا واحدهای تجاری کوچک نیز از این هواکش استفاده میشود، بهویژه در مکانهایی که به تهویه سریع و مطمئن نیاز دارند.
مزایای هواکش صنعتی سبک فلزی 30 سانتی متری دور بالا دمنده مدل VID-30D2S
- قدرت هوادهی بالا به دلیل موتور دور بالا
- کیفیت ساخت ممتاز و دوام طولانی
- وزن سبک و طراحی مناسب برای نصب آسان
- مصرف انرژی بهینه نسبت به عملکرد
- مقاومت در برابر رطوبت و گردوغبار به لطف استاندارد IP44
- کاربرد گسترده در محیطهای صنعتی، تجاری و خانگی
- قیمت مقرونبهصرفه در مقایسه با کارایی بالا
نکات نگهداری و استفاده
برای افزایش عمر مفید هواکش صنعتی سبک فلزی 30 سانتی متری دور بالا دمنده مدل VID-30D2S و حفظ راندمان آن، رعایت چند نکته ضروری است:
- تمیز کردن دورهای پروانهها برای جلوگیری از انباشت گردوغبار
- بررسی منظم اتصالات برقی و کابلها
- استفاده در شرایط محیطی مطابق با استاندارد دستگاه
- جلوگیری از ورود اجسام خارجی به داخل پروانه
- خاموش کردن دستگاه در صورت ایجاد صدای غیرعادی یا لرزش بیش از حد
چرا انتخاب هواکش صنعتی سبک فلزی 30 سانتی متری دور بالا دمنده مدل VID-30D2S هوشمندانه است؟
این دستگاه برای کسانی که به دنبال تهویهای قدرتمند، قابل اعتماد و اقتصادی هستند، انتخابی ایدهآل محسوب میشود. از طرفی، ترکیب طراحی ساده، بدنه مقاوم و موتور پرقدرت دور بالا، باعث شده که این مدل در بین محصولات مشابه، جایگاه ویژهای پیدا کند.
اگر به دنبال هواکشی هستید که هم برای کارگاه کوچک و هم برای آشپزخانه صنعتی یا گلخانه مناسب باشد، این مدل میتواند به خوبی نیازهای شما را پوشش دهد.
جمعبندی
هواکش صنعتی سبک فلزی 30 سانتی متری دور بالا دمنده مدل VID-30D2S یکی از محصولات برجسته برند دمنده است که با طراحی مقاوم، موتور قدرتمند و راندمان بالا، توانسته به انتخابی مطمئن برای صنایع و مشاغل مختلف تبدیل شود. این دستگاه علاوه بر ایجاد تهویه مطمئن، با مصرف انرژی بهینه و طول عمر بالا، ارزش خرید بالایی دارد.
استفاده از این هواکش نه تنها شرایط محیطی بهتری ایجاد میکند، بلکه به افزایش سلامت کارکنان، بهرهوری و کیفیت محصولات در محیطهای صنعتی کمک شایانی خواهد کرد.
قیمت و خرید هواکش صنعتی سبک فلزی 30 سانتی متری دور بالا دمنده مدل VID-30D2S
قیمت و خرید آنلاین هواکش صنعتی سبک فلزی 30 سانتی متری دور بالا دمنده مدل VID-30D2S در سایت تهران گرولایت موجود می باشد و شما عزیزان میتوانید، متناسب با حجم مصرفی مورد نیاز خود، این محصول بسیار باکیفیت را در سایت تهران تی جی ال ثبت سفارش کنید و در کوتاه ترین زمان ممکن، آن را درب منزل یا در محل کار خود تحویل بگیرید .
تهران گرولایت مطالعه مقاله های زیر را به شما پیشنهاد می کند:
گیاهان سمی برای حیوانات خانگی: انواع و تاثیرات
لامپ رشد گیاه چگونه میتواند گیاهان شما را متحول کند ؟
تهران گرولایت مشاهده و خرید محصولات دسته بندی های زیر را به شما پیشنهاد می کند:
هواکش صنعتی سبک فلزی 30 سانتی متری دمنده مدل VID-30D4S
هواکش صنعتی سبک فلزی 35 سانتی متری دور بالا دمنده مدل VID-35D2S

دیدگاه خود را بنویسید