هواکش صنعتی سبک فلزی 30 سانتیمتری دمنده مدل VID-30D4S، انتخابی عالی برای تهویه بهینه و کارآمد در محیطهای صنعتی و تجاری. با طراحی مقاوم و عملکرد بالا، هوای تازه و پاک را به فضای شما میآورد. موتور قدرتمند و صرفهجویی در مصرف انرژی، این محصول را به گزینهای ایدهآل برای کسبوکار شما تبدیل کرده است. فرصت ویژه خرید را از دست ندهید!
بررسی هواکش صنعتی سبک فلزی 30 سانتی متری دمنده مدل VID-30D4S
در دنیای امروز که کنترل کیفیت هوا و تهویه مناسب در محیطهای صنعتی و تجاری اهمیت زیادی دارد، انتخاب یک هواکش قدرتمند و مطمئن میتواند تأثیر چشمگیری در بهبود شرایط محیطی داشته باشد. یکی از محصولات پرطرفدار در این زمینه، هواکش صنعتی سبک فلزی 30 سانتی متری دمنده مدل VID-30D4S است. این دستگاه با طراحی مهندسیشده، کیفیت ساخت بالا و کارایی عالی، به یکی از گزینههای اصلی برای صنایع و کارگاهها تبدیل شده است. در ادامه این مقاله به بررسی کامل ویژگیها، مشخصات، کاربردها و مزایای این هواکش میپردازیم.
معرفی کلی هواکش صنعتی سبک فلزی 30 سانتی متری دمنده مدل VID-30D4S
هواکش صنعتی سبک فلزی 30 سانتی متری دمنده مدل VID-30D4S محصولی از برند معتبر دمنده است. این برند با سالها تجربه در طراحی و تولید تجهیزات تهویه، توانسته اعتماد بازار داخلی و خارجی را به دست آورد. قطر پروانه این دستگاه 30 سانتیمتر است و با توان موتور 115 وات، قادر به ایجاد جریان هوادهی 1400 مترمکعب در ساعت میباشد. این ویژگیها باعث شده که این هواکش برای محیطهایی که به تهویه مداوم و پایدار نیاز دارند، گزینهای ایدهآل باشد.
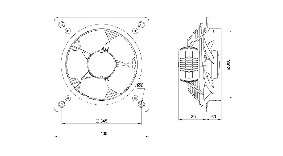
مشخصات فنی هواکش صنعتی سبک فلزی 30 سانتی متری دمنده مدل VID-30D4S
در انتخاب هر هواکش صنعتی، مشخصات فنی آن اهمیت زیادی دارد. این مدل ویژگیهای زیر را ارائه میدهد:
- قطر پروانه: 30 سانتیمتر
- حجم هوادهی: 1400 مترمکعب بر ساعت
- ولتاژ: 220 ولت
- توان موتور: 115 وات
- جریان مصرفی: 0.55 آمپر
- دور موتور: 1430 دور بر دقیقه
- شدت صدا: 63 دسیبل
- وزن: 6.3 کیلوگرم
- کلاس عایقبندی: B
- درجه حفاظت موتور: IP44
این مشخصات نشان میدهد که هواکش صنعتی سبک فلزی 30 سانتی متری دمنده مدل VID-30D4S ترکیبی از قدرت، دوام و کارایی است.
طراحی و ساختار هواکش صنعتی سبک فلزی 30 سانتی متری دمنده مدل VID-30D4S
بدنه این دستگاه از فلز مقاوم ساخته شده که علاوه بر سبکی، در برابر فشارهای محیطی و ضربه مقاومت بالایی دارد. پروانهها بهطور دقیق بالانس شدهاند تا از لرزش اضافی جلوگیری شود. موتور با کلاس عایقبندی B و درجه حفاظت IP44، از نفوذ گردوغبار و رطوبت تا حد زیادی مصون است. همین ویژگیها باعث افزایش طول عمر و کارکرد پایدار هواکش در شرایط مختلف میشوند.
عملکرد و راندمان هواکش صنعتی سبک فلزی 30 سانتی متری دمنده مدل VID-30D4S
یکی از نقاط قوت اصلی این هواکش، عملکرد بینقص آن است. سرعت موتور 1430 دور در دقیقه باعث میشود جریان هوای یکنواخت و قدرتمندی در محیط ایجاد شود. شدت صدای 63 دسیبل نیز نشاندهنده عملکرد نسبتاً کمصدا در مقایسه با توان خروجی دستگاه است. با توجه به توان مصرفی 115 وات، میتوان گفت که این هواکش از نظر انرژی نیز بهینه عمل میکند.
کاربردهای هواکش صنعتی سبک فلزی 30 سانتی متری دمنده مدل VID-30D4S
1. کارگاهها و کارخانهها
در بسیاری از واحدهای صنعتی، گردوغبار، دود یا بخارات شیمیایی تولید میشوند. هواکش صنعتی سبک فلزی 30 سانتی متری دمنده مدل VID-30D4S میتواند به تهویه سریع این محیطها کمک کند.
2. آشپزخانههای صنعتی
این هواکش با قدرت هوادهی مناسب، انتخاب خوبی برای رستورانها و آشپزخانههای بزرگ است تا بخار و دود ناشی از پختوپز را خارج کند.
3. گلخانهها
تهویه مناسب در گلخانهها اهمیت زیادی دارد. این هواکش با گردش هوا به رشد بهتر گیاهان و جلوگیری از ایجاد بیماریهای قارچی کمک میکند.
4. سالنهای ورزشی و انبارها
در فضاهای بزرگ که نیاز به جریان هوای مداوم وجود دارد، این دستگاه میتواند تهویه مؤثر و یکنواختی را فراهم آورد.
مزایای هواکش صنعتی سبک فلزی 30 سانتی متری دمنده مدل VID-30D4S
- کیفیت ساخت بالا و دوام طولانی
- هوادهی مناسب با موتور قدرتمند
- طراحی سبک و نصب آسان
- مصرف انرژی بهینه
- قابلیت استفاده در محیطهای متنوع
- موتور عایقبندیشده و مقاوم در برابر رطوبت
نکات نگهداری و ایمنی در استفاده از هواکش صنعتی سبک فلزی 30 سانتی متری دمنده مدل VID-30D4S
- تمیز کردن دورهای پرهها و بدنه برای افزایش راندمان
- بررسی اتصالات برقی بهطور منظم
- جلوگیری از قرار دادن دستگاه در معرض مستقیم باران یا رطوبت زیاد
- اطمینان از نصب صحیح توسط تکنسین متخصص
- خاموش کردن دستگاه در صورت مشاهده لرزش یا صدای غیرعادی
چرا انتخاب هواکش صنعتی سبک فلزی 30 سانتی متری دمنده مدل VID-30D4S مناسب است؟
اگر به دنبال یک هواکش صنعتی هستید که هم از نظر توان و هم از نظر کیفیت ساخت در سطح بالایی قرار داشته باشد، هواکش صنعتی سبک فلزی 30 سانتی متری دمنده مدل VID-30D4S انتخابی هوشمندانه است. این محصول ترکیبی از طراحی مهندسیشده، راندمان بالا و مصرف انرژی بهینه است که آن را برای محیطهای مختلف صنعتی و تجاری ایدهآل میسازد.
جمعبندی
هواکش صنعتی سبک فلزی 30 سانتی متری دمنده مدل VID-30D4S دستگاهی است که با بدنه فلزی مقاوم، موتور پرقدرت و طراحی استاندارد، میتواند نیازهای متنوع شما در زمینه تهویه را برآورده کند. چه در کارگاهها، چه در آشپزخانههای صنعتی و چه در گلخانهها، این محصول عملکردی مطمئن و پایدار ارائه میدهد. خرید این هواکش در واقع یک سرمایهگذاری بلندمدت برای بهبود کیفیت هوا و افزایش راندمان کاری در محیطهای مختلف است.
قیمت و خرید هواکش صنعتی سبک فلزی 30 سانتی متری دمنده مدل VID-30D4S
قیمت و خرید آنلاین هواکش صنعتی سبک فلزی 30 سانتی متری دمنده مدل VID-30D4S در سایت تهران گرولایت موجود می باشد و شما عزیزان میتوانید، متناسب با حجم مصرفی مورد نیاز خود، این محصول بسیار باکیفیت را در سایت تهران تی جی ال ثبت سفارش کنید و در کوتاه ترین زمان ممکن، آن را درب منزل یا در محل کار خود تحویل بگیرید .
تهران گرولایت مطالعه مقاله های زیر را به شما پیشنهاد می کند:
نحوه استفاده از EC متر در کشاورزی و زراعت
تهران گرولایت مشاهده و خرید محصولات دسته بندی های زیر را به شما پیشنهاد می کند:
هواکش صنعتی سبک فلزی 35 سانتی متری دور بالا دمنده مدل VID-35D2S

دیدگاه خود را بنویسید